19 maj 2025
Kåkenhusen
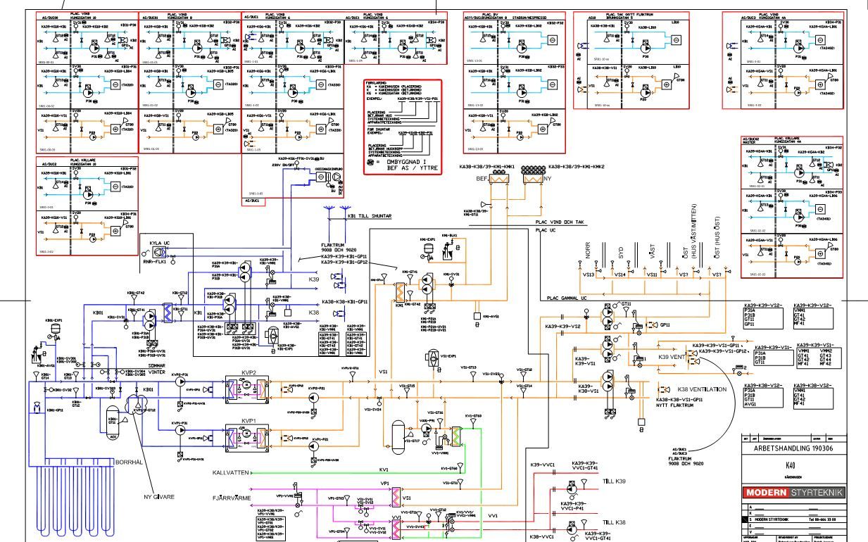
Bergvärme på Kåkenhusen ♨️
Arbeten på kvarteret Kåkenhusen, Kungsgatan har påbörjats.
K38 och K39´s separata kyl- och värmecentraler tas ur drift och ny bergvärmecentral med kylmaskiner och fjärrvärme byggs för att betjäna båda fastigheterna.
Uppgradering av befintliga kyl- och värmeshuntar för ventilationssystem och komfortkyla utförs också.
Vi projekterar, installerar, programmerar och driftsätter samtliga system ingående i styrentreprenaden.
För oss blir det kompletteringar i 8 äldre befintliga apparatskåp med yttre system, 1 st nytt apparatskåp för energicentralen och 1 st nytt för nytt ventilationsaggregat LB10.
Nya PLCer blir SAIA-PCD3, befintliga PLCer är SAIA-PCD2.

